
Al hablar de sistemas fotovoltaicos es sumamente necesario contar con la seguridad apropiada contra contactos directos. Es esto lo que ha brindado la oportunidad de incrementar el desarrollo de nuevos vigilantes de aislamiento y sistemas de monitoreo de corriente diferencial que cumplan con esta función. Pero, para contar con una protección contra fallas de aislamiento en instalaciones fotovoltaicas óptima, es necesario saber qué factores tomar en cuenta y qué mediciones debes considerar. Hablamos más sobre todo esto en este post.
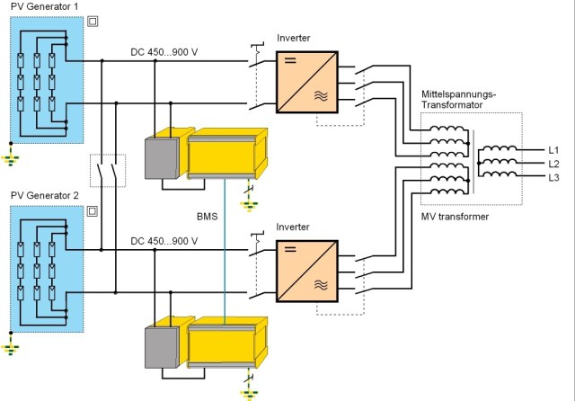
Antes de avanzar debemos destacar que siempre es necesario asegurar la protección contra contactos directos tanto antes como después del inversor (en caso de inversores que no cuenten con separación galvánica). Y es importante que esto se haga:
- En sistemas aislados TN o IT: con una alarma visual y acústica.
- En sistemas puestos a tierra TN: con la posterior desconexión.
Factores a tomar en cuenta
Son varios los factores que se deben tomar en cuenta junto a las mediciones que permiten conseguir la protección fiable contra contactos directos en un sistema fotovoltaico. Detallamos dichos factores a continuación:
Tensión
No se trata solo de la tensión DC generada o de la tensión de 60Hz a la salida del inversor, pues dependiendo del lugar de la falla la corriente de defecto resultante puede abarcar un elevado margen de frecuencias (DC…2000Hz), las cuales suponen un riesgo no solo para las personas sino también para la instalación fotovoltaica en sí.
Capacidad de la red
No solo se deben tomar en cuenta las longitudes de los cables de conexión entre los inversores y los módulos, también se deben considerar los filtros capacitivos de los inversores, pues estos pueden producir una elevada capacitancia entre la tierra y la red. Y por esta capacitancia podrían circular corrientes de defecto que afecten los sistemas de protección.
Valor del aislamiento
Se debe tener en cuenta que cuando una instalación nueva se pone en marcha, el aislamiento previamente medido varía, debido a que la red cuenta con tensión y se conectan el inversor y los módulos.
De igual forma, el nivel de aislamiento variará en base a las influencias externas (vegetación, sobretensiones, roedores, etc.) y en base a las condiciones ambientales (humedad, polvo, etc.)
Mediciones para lograr una protección completa contra fallas de aislamiento en sistemas fotovoltaicos
Pues bien, considerando los factores mencionados anteriormente, se puede proceder con dos tipos de técnicas de medición:
Técnica de medida AMP

Con esta técnica se ha dado un gran salto en cuanto a fiabilidad de la vigilancia del aislamiento en sistemas IT, ya que cuenta con un filtrado de:
- Distintas frecuencias y armónicos presentes en la red.
- Elevadas capacidades
De esta manera se logra obtener una medida fiable y eficaz del valor de aislamiento resistivo real del sistema, tanto en fallas asimétricas o simétricas, como en fallas después, en o antes del inversor.
Esto lo logra superponiendo una señal de frecuencia variable y de amplitud, la cual se adapta a las condiciones de la red y retorna al vigilante de aislamiento a través de los fallos.
Monitoreo de corriente diferencial

En el caso de sistemas puestos a tierra TN es necesario monitorear de forma correcta todas las corrientes de defecto que se puedan producir, tanto en los circuitos intermedios del inversor como en la salida del mismo o en el lado de generación DC.
Esta técnica de medida ofrece una protección completa, independientemente de donde se origine la corriente de fuga, debido a que permite cubrir todas las corrientes de defecto, tanto las producidas en el lado DC, como si se producen en forma de armónicos internamente en los inversores.
Conclusiones
Las dos técnicas de medida pueden ser utilizadas para proteger de forma completa los sistemas fotovoltaicos y para integrar los propios inversores mediante bus de datos o señales analógicas.
Además de estas mediciones, se recomienda usar equipos que puedan prevenir la falla, como un Monitor de corriente diferencial RCMS. De esta manera se evitará el disparo de la protección asociada y se podrá cumplir tanto el objetivo de seguridad para el personal como el de fiabilidad, al evitar interrupciones no programadas.

Para finalizar, queremos resaltar que en GAL Electric estamos para ayudarle con lo que necesite en cuanto a protección contra fallas de aislamiento en instalaciones fotovoltaicas, puede enviarnos su consulta a través de nuestro formulario de contacto.
Contáctanos
Recibe asesoría y cotización